Каталог продукции
Бесплатная консультация
Корзина пуста

Силовые тиристорные переключатели переменного тока (твердотельные реле) данных серий используются для обеспечения гарантированного запаса по току при коммутации нагрузок с непредсказуемыми пусковыми токами (сварочное оборудование, мощная индуктивная или активная нагрузка, трансформаторы). Перекрывают самый большой на сегодняшний день диапазон токов нагрузки среди переключателей KIPPRIBOR.
Особенности коммутации нагрузки тиристорных переключателей серии GaDH-xxx120.ZD3 и GwDH-xxx120.ZD3
Конструктивные особенности тиристорных переключателей серии GaDH-xxx120.ZD3 и GwDH-xxx120.ZD3
Большие токи коммутации вызывают повышенное выделение тепла на выходном силовом элементе ТТР, поэтому для их надежной и стабильной работы требуются особые конструктивные решения, усиливающие эффективность теплоотвода.
Наиболее современным решением сегодня является применение особых выходных элементов: тиристоров SCR-типа. Сочетание тиристора SCR-типа, медного основания, обладающего высокой теплопроводностью, и рекомендованных моделей радиатора и вентилятора гарантирует надежную коммутацию силовых цепей при больших токах коммутации.
Встроенная шунтирующая выход RC-цепочка* повышает надежность работы ТТР (ТППТ) при коммутации нагрузки индуктивного типа.
* - RC-цепочка – это электрическая цепь из последовательно включенных емкости (конденсатора) и сопротивления. Применительно к твердотельным реле KIPPRIBOR RC-цепь включается параллельно коммутационному ключу и располагается внутри корпуса реле. Номиналы элементов цепи обычно составляют C=0.1 мкФ, R=50 Ом. Довольно часто RC-цепочку называют сглаживающим фильтром, поскольку её главная задача – сгладить скорость нарастания напряжения (dU/dt) на коммутационном элементе реле (симисторе либо тиристоре). Это позволяет повысить надежность работы ТТР в условиях действия импульсных помех (перенапряжений). Это свойство особенно необходимо при работе реле в условиях электрических помех, генерируемых в сеть нагрузкой индуктивного и емкостного типа.
Корпусные особенности (тиристорных переключателей) твердотельных реле серии GaDH-xxx120.ZD3 и GwDH-xxx120.ZD3
Технические характеристики переключателей тиристорных (твердотельных реле) серий GaDH / GwDH-ххх120.ZD3
Характеристики входной цепи ТТР серий GaDH / GwDH-ххх120.ZD3
|
Параметр |
Значение |
|
|
Модель ТТР |
GaDH-ххх120.ZD3 |
GwDH-ххх120.ZD3 |
|
Тип управляющего сигнала |
Дискретный сигнал напряжения |
|
|
Диапазон напряжения управляющего сигнала |
3…32 VDC |
|
|
Напряжение гарантированного включения |
≥ 3 VDC |
|
|
Напряжение гарантированного выключения |
≤ 1 VDC |
|
|
Ток потребления цепи управления |
≤ 16 мА (±0,5 мА) |
≤ 16 мА (±0,5 мА) |
|
Время включения |
≤ 10 мс при f=50 Гц |
|
|
Время выключения |
≤ 10 мс при f=50 Гц |
|
|
Максимальная частота переключения |
≤ 50 Гц при f=50 Гц |
|
|
Тип клемм цепи управления |
Разъем Faston серии 0,110" |
|
Характеристики выходной цепи ТТР серииGaDH-ххх120.ZD3
|
Параметр |
Значение |
||
|
Номинальный ток ТТР |
500А |
600 А |
800А |
|
Тип выходных силовых элементов |
SCR - тиристор |
||
|
Тип коммутируемой сети |
|
||
|
Вид коммутируемого тока |
Переменный |
||
|
Вид коммутации: |
С контролем перехода через «0» |
||
|
Минимальный коммутируемый ток |
0,5 А |
||
|
Максимальный коммутируемый ток |
500 A |
600A |
800 A |
|
Ток утечки в закрытом состоянии |
≤ 10 мА |
||
|
Скорость нарастания тока (di/dt) |
150 А/мкс |
||
|
Максимальный импульс тока во включенном состоянии (≤ 10мс) |
5500 А |
6500 А |
9000 А |
|
Диапазон напряжения питания нагрузки |
60...1000 VAC |
||
|
Частота источника питания нагрузки |
50 Гц |
||
|
Максимальное пиковое напряжение |
1600 VAC (16 класс) |
||
|
Тепловое сопротивление переход – основание (Rthjc) |
0,08 °С/ Вт |
0,07 °С/ Вт |
0,05 °С/ Вт |
|
Падение напряжения в коммутируемой цепи во включенном состоянии |
≤ 1,6 V |
||
|
Скорость нарастания напряжения в закрытом состоянии (dV/dt) |
500 В/мкс |
||
|
I2t (< 10 мс) |
151250 А2с |
217800 А2с |
387200 А2с |
|
Электрическая прочность изоляции (цепь упр. / вых. цепь) |
2500 V в течение 1 минуты |
||
|
Электрическая прочность изоляции (корпус / вх. цепь) |
2500 V в течение 1 минуты |
||
|
Электрическая прочность изоляции (корпус / вых. цепь) |
2500 V в течение 1 минуты |
||
|
Сопротивление изоляции |
500 МОм (при 500 VDC) |
||
1 - для коммутации трехфазной нагрузки устанавливается одно ТТР на каждую фазу. Допустимые схемы включения нагрузки: «звезда», «звезда с нейтралью», «треугольник»
Характеристики выходной цепи ТТР серииGwDH-ххх120.ZD3
|
Параметр |
Значение |
||
|
Номинальный ток ТТР |
500А |
600 А |
800А |
|
Тип выходных силовых элементов |
SCR - тиристор |
||
|
Тип коммутируемой сети |
|
||
|
Вид коммутируемого тока |
Переменный |
||
|
Вид коммутации: |
С контролем перехода через «0» |
||
|
Минимальный коммутируемый ток |
0,5 А |
||
|
Максимальный коммутируемый ток |
500 A |
600A |
800 A |
|
Ток утечки в закрытом состоянии |
≤ 10 мА |
||
|
Скорость нарастания тока (di/dt) |
150 А/мкс |
||
|
Максимальный импульс тока во включенном состоянии (≤ 10мс) |
5500 А |
6500 А |
9000 А |
|
Диапазон напряжения питания нагрузки |
60...1000 VAC |
||
|
Частота источника питания нагрузки |
50 Гц |
||
|
Максимальное пиковое напряжение |
1600 VAC (16 класс) |
||
|
Тепловое сопротивление переход – основание (Rthjc) |
0,08 °С/ Вт |
0,07 °С/ Вт |
0,05 °С/ Вт |
|
Падение напряжения в коммутируемой цепи во включенном состоянии |
≤ 1,6 V |
||
|
Скорость нарастания напряжения в закрытом состоянии (dV/dt) |
500 В/мкс |
||
|
I2t (< 10 мс) |
151250 А2с |
217800 А2с |
387200 А2с |
|
Электрическая прочность изоляции (цепь упр. / вых. цепь) |
2500 V в течение 1 минуты |
||
|
Электрическая прочность изоляции (корпус / вх. цепь) |
2500 V в течение 1 минуты |
||
|
Электрическая прочность изоляции (корпус / вых. цепь) |
2500 V в течение 1 минуты |
||
|
Сопротивление изоляции |
500 МОм (при 500 VDC) |
||
|
Температура охлаждающей жидкости |
+30…+70°С |
||
|
Номинальное давление охлаждающей жидкости |
0,3 МПа |
||
|
Максимальное давление охлаждающей жидкости |
≤0,8 МПа |
||
|
Минимальный напор охлаждающей жидкости |
≥3 м/с (0,4 м3/ч) |
||
2 - для коммутации трехфазной нагрузки устанавливается одно ТТР на каждую фазу. Допустимые схемы включения нагрузки: «звезда», «звезда с нейтралью», «треугольник»
Характеристики выходной цепи ТТР серииGwDH-ххх120.ZD3
|
Параметр |
Значение |
|
Температура окружающей среды |
-30…+70 °С |
|
Охлаждение |
Воздушное для серии GaDH-ххх120.ZD3,
Водяное для серии GwDH-ххх120.ZD3 |
|
Материал основания |
Медь никелированная |
|
Индикация наличия управляющего сигнала |
Светодиодная |
|
Тип монтажа |
Крепление винтами на плоскость на радиатор с вентилятором |
|
Масса |
≤ 1800 г |
Модификации и номинальные токи ТТР серий GaDH / GwDH-ххх120.ZD3
|
Модификация ТТР |
Номинальный ток нагрузки |
|
GaDH-ххх120.ZD3 |
|
|
GaDH-500120.ZD3 |
500 A |
|
GaDH-600120.ZD3 |
600 A |
|
GaDH-800120.ZD3 |
800 A |
|
GwDH-ххх120.ZD3 |
|
|
GwDH-500120.ZD3 |
500 A |
|
GwDH-600120.ZD3 |
600 A |
|
GwDH-800120.ZD3 |
800 A |
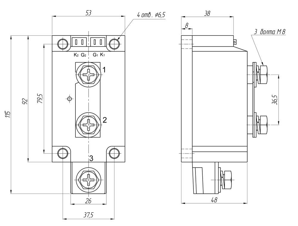
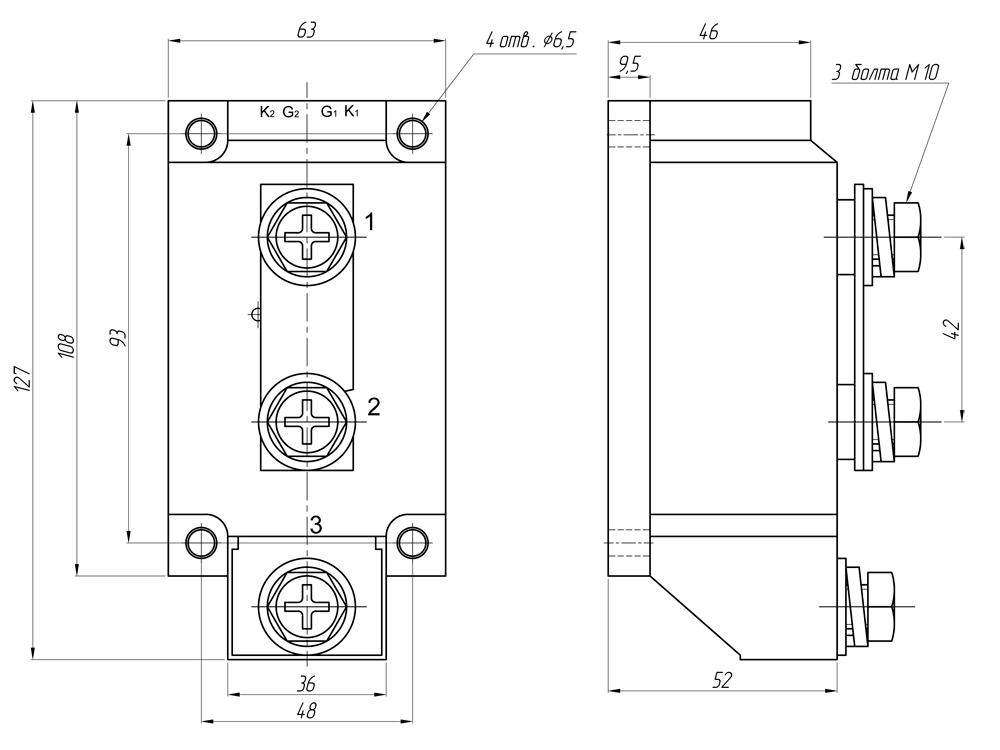
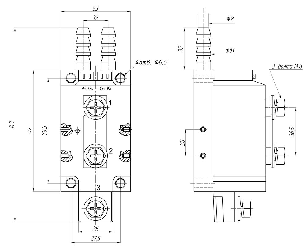
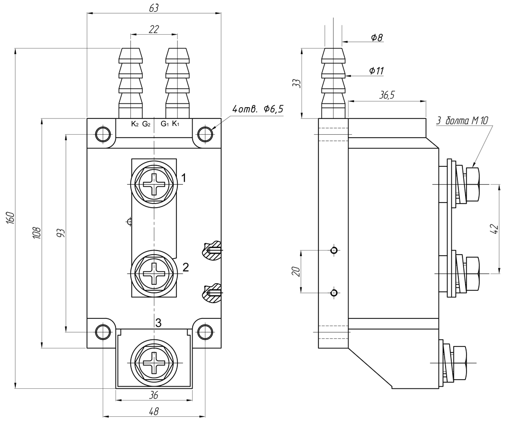
Габаритные и установочные размеры GaDH / GwDH-ххх120.ZD3
Реле серий GaDH-500120.ZD3, GaDH-600120.ZD3

Реле серии GaDH-ххх800.ZD3

Реле серийGwDH-500120.ZD3, GwDH-600120.ZD3

Реле серии GwDH-800120.ZD3

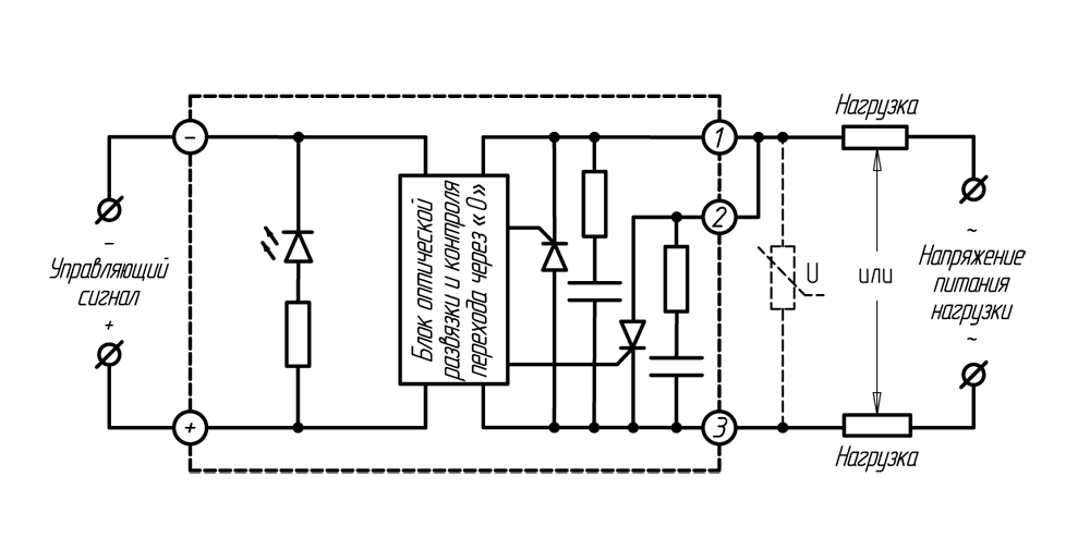
Схема подключения
Реле серий GaDH / GwDH-ххх120.ZD3
