

 Каталог продукции
 Каталог продукции Бесплатная консультация
 Бесплатная консультация Корзина пуста
 Корзина пуста +7 (342) 270-02-27
Нажмите, чтобы позвонить на многоканальный телефон
 +7 (342) 270-02-27
Нажмите, чтобы позвонить на многоканальный телефон
Приборы для измерения давления. Приборы для измерения температуры. Горелки газовые блочного типа. Форсунки. Пилотные горелки. Для безопасной работы установок работающих на сжигании газообразного, жидкого или твердого топлива основным параметром безопасности является контроль наличия и погасания пламени. Автоматика управления котлами, горелками, котлоагрегатами, теплогенераторами, печами. Устройства автоматизации. Котельное оборудование. Оборудование для узлов учета, датчики давления.
Компания ОВЕН предлагает самый широкий среди российских производителей ассортимент выпускаемой продукции. Он включает в себя более 80 наименований приборов, которые могут использоваться для построения систем автоматизации любого уровня: - Программируемые логические контроллеры (ПЛК); модули ввода/вывода; операторские панели; преобразователи интерфейса. - Общепромышленные регуляторы, регуляторы уровня, специализированные контроллеры, таймеры, счетчики, блоки питания. - Датчики: температуры, давления, уровня. Спектр отраслей промышленности, где работают приборы ОВЕН, очень широк и включает в себя химические и нефтехимические производства, металлургические и деревообрабатывающие предприятия, пищевую и упаковочную отрасли, энергетику, жилищно-коммунальное хозяйство и многие другие.
Приборы для измерения и регулирования температуры, влажности, вакуума под маркой ТЕРМОДАТ и МЕРАДАТ. Модельный ряд приборов охватывает как простейшие одноканальные измерители, так и сложные многоканальные регуляторы с большим графическим дисплеем.
Широкий спектр клапанов различной конфигурации и назначения.
Клапаны электромагнитные соленоидные
Катушки для клапанов
Реле времени для клапанов
Коннекторы
Подробная информация на нашем русскоязычном сайте - http://пкип.рф/catalog/
ЗАО «Росма» на сегодняшний день является одним из крупнейших отечественных производителей контрольно-измерительных приборов, прочно входя в пятерку лидеров рынка в данной области. Одни из самых популярных приборов это - Манометры, Термометры, Термоманометры, Разделители сред, Клапаны электромагнитные (соленоидные), Датчики и реле давления, Преобразователи давления, Датчики уровня.
Предназначены для предотвращения выхода из строя электродвигателей и агрегатов на их основе при возникновении недопустимых режимов работы, обусловленных различными эксплуатационными факторами: технологическими перегрузками; поломками и заклиниванием механизмов; холостом ходе; асимметрией питающей сети или неисправностью коммутационной аппаратуры. Обеспечивают защитное отключение электродвигателя при возникновении недопустимых (аварийных) режимов работы: перегрузке по току; недогрузке по току; неполнофазном режиме работы; превышении допустимого дисбаланса токов. Уникальным свойством приборов является наличие функции мониторинга – непрерывного наблюдения за работой электродвигателей, регистрации режимов и событий, накопления статистических данных о работе электродвигателей и агрегатов на их основе, защиты электродвигателей.
 
СКАЧАТЬ: Паспорт Смартреле С-127     Статья 
Контроллер магнитного пускателя Смартреле С-127 предназначен для установки в системах (шкафах) управления трехфазными низковольтными (0,4КВ) электродвигателями с включением магнитными пускателями (контакторами).
Совместно с магнитным пускателем, установленным в цепи питания электродвигателя, контроллер Смартреле С-127 обеспечивает:
-местное и дистанционное управление (включение/отключение) пускателем с одного или нескольких бесконтактных кнопочных постов;
-контроль состояния и дистанционное управление (включение/отключение) пускателем в системах АСУТП на базе интерфейсов USB, RS-458, Ethernet;
-работу пускателя в режиме с предотвращением самозапуска (повторного включения) при перерывах электроснабжения в сети;
-работу пускателя в режиме с самозапуском при перерывах электроснабжения в сети, с регулируемой выдержкой времени на включение при восстановлении напряжения в сети.
Контроллер Смартреле С-127 коммутирует контактами электрическую сеть переменного тока от 0,01 до 1А и рассчитан на управление магнитными пускателями и контакторами от 0 до IV величины с катушками включения на переменное напряжение 220 В. При работе с контакторами свыше указанных габаритов необходимо подключение промежуточного реле
Технические характеристики Смартреле С-127
В комплект поставки контроллера входят:
Контроллер Смартреле С-127 -1 шт.
Паспорт на контроллер -1 шт.
Пост кнопочный сигнальный ПКС-722 -1 шт.*  - * по согласованию с заказчиком
Для настройки характеристик контроллера по доп.требованию заказчика в комплект поставки дополнительно могут быть включены:
Пульт управления ПУ-04С ЮИПН 411711.025
Адаптер USB ЮИПН 203127.001
 
Для работы в составе систем АСУТП по  доп. требованию заказчика в комплект поставки контроллера дополнительно могут быть включены:
■ Адаптер RS-485 ЮИПН 203127.004
■ Адаптер Ethernet ЮИПН 203127.002
■ Адаптер A2 ЮИПН 203127.005
■ Контроллер беспроводной сети КС-2 ЮИПН 203127.007
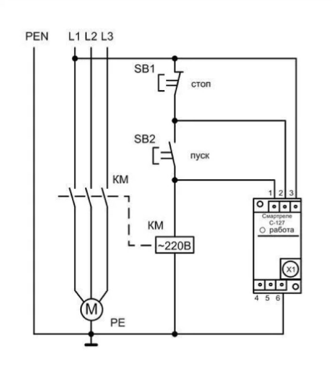
УСТРОЙСТВО И ПРИНЦИП РАБОТЫ Смартреле С-127
1. Внешний вид габаритные и установочные размеры контроллера Смартреле С-127 показаны на рис.1 паспорта.
Схема реализации бесконтактного аппарата управления электродвигателем с использованием контроллера Смартреле С-127 приведена на рис 2 паспорта.
В схеме для упрощения условно не показаны необходимые в конкретных случаях элементы, устанавливаемые в оперативной цепи управления: автомат защиты, кнопка аварийного отключения, тепловое реле и пр.
2. Питание контроллера Смартреле С-127 осуществляется от одной фазы сети и обеспечивается наличием переменного напряжения сети от ~ 180 до 265 В между его выводами ―П‖ (3) и ―N‖ (6).
При подаче сетевого питания включается индикатор ―РАБОТА‖ на панели контроллера.
Индикатор указывает на наличие питания контроллера и состояние пускателя (включен/отключен).
Если пускатель КМ отключен, индикатор ―РАБОТА‖ горит непрерывно. Если пускатель КМ включен, индикатор ―РАБОТА‖ работает прерывисто (мигает) с интервалом около 0,5 секунд.
3. Для управления пускателем (включение/отключение) в ручном режиме оператором предусмотрено подключение к контроллеру одного или нескольких кнопочных сигнальных постов (Е1, Е2 — Рис. 2).
Пост кнопочный сигнальный (рис.2) представляет собой электронный командный аппарат, формирующий при нажатии его кнопок «ПУСК» или «СТОП» аналоговые команды, поступающие в контроллер по двухпроводной сигнальной линии L.
Архитектура контроллера позволяет подключать к сигнальной линии L несколько постов ПКС параллельно для организации, например, местного (E1) и дистанционного управления (E2) объектом.
СКАЧАТЬ: Паспорт Смартреле С-127     Статья 
Приобрести оригинальные контроллеры магнитного пускателя С-127 и другие приборы  Вы  можете  в
 
ООО "ОВЕН-ПЕРМЬ" Адрес офиса: 614015, г. Пермь, ул. Луначарского, 23
Тел.: +7 (342) 212-42-51, 270-02-27
E-mail: mail@kip59.ru
|  |  |  | 
| Пульты управления | Системы и средства сбора информации | Модули и датчики | 
Телефон в Перми +7 (342) 270-02-27.
Задайте ваш вопрос он-лайн,
чтобы получить развернутый ответ на e-mail
Обращаем Ваше внимание на то, что вся представленная на сайте информация, касающаяся комплектаций, технических характеристик, а также стоимости оборудования носит информационный характер и ни при каких условиях не является публичной офертой, определяемой положениями Статьи 437 (2) Гражданского кодекса Российской Федерации.
 
 
  
    
