

Каталог продукции
Бесплатная консультация
Корзина пуста
Приборы для измерения давления. Приборы для измерения температуры. Горелки газовые блочного типа. Форсунки. Пилотные горелки. Для безопасной работы установок работающих на сжигании газообразного, жидкого или твердого топлива основным параметром безопасности является контроль наличия и погасания пламени. Автоматика управления котлами, горелками, котлоагрегатами, теплогенераторами, печами. Устройства автоматизации. Котельное оборудование. Оборудование для узлов учета, датчики давления.
Компания ОВЕН предлагает самый широкий среди российских производителей ассортимент выпускаемой продукции. Он включает в себя более 80 наименований приборов, которые могут использоваться для построения систем автоматизации любого уровня: - Программируемые логические контроллеры (ПЛК); модули ввода/вывода; операторские панели; преобразователи интерфейса. - Общепромышленные регуляторы, регуляторы уровня, специализированные контроллеры, таймеры, счетчики, блоки питания. - Датчики: температуры, давления, уровня. Спектр отраслей промышленности, где работают приборы ОВЕН, очень широк и включает в себя химические и нефтехимические производства, металлургические и деревообрабатывающие предприятия, пищевую и упаковочную отрасли, энергетику, жилищно-коммунальное хозяйство и многие другие.
Приборы для измерения и регулирования температуры, влажности, вакуума под маркой ТЕРМОДАТ и МЕРАДАТ. Модельный ряд приборов охватывает как простейшие одноканальные измерители, так и сложные многоканальные регуляторы с большим графическим дисплеем.
Широкий спектр клапанов различной конфигурации и назначения.
Клапаны электромагнитные соленоидные
Катушки для клапанов
Реле времени для клапанов
Коннекторы
Подробная информация на нашем русскоязычном сайте - http://пкип.рф/catalog/
ЗАО «Росма» на сегодняшний день является одним из крупнейших отечественных производителей контрольно-измерительных приборов, прочно входя в пятерку лидеров рынка в данной области. Одни из самых популярных приборов это - Манометры, Термометры, Термоманометры, Разделители сред, Клапаны электромагнитные (соленоидные), Датчики и реле давления, Преобразователи давления, Датчики уровня.
Предназначены для предотвращения выхода из строя электродвигателей и агрегатов на их основе при возникновении недопустимых режимов работы, обусловленных различными эксплуатационными факторами: технологическими перегрузками; поломками и заклиниванием механизмов; холостом ходе; асимметрией питающей сети или неисправностью коммутационной аппаратуры. Обеспечивают защитное отключение электродвигателя при возникновении недопустимых (аварийных) режимов работы: перегрузке по току; недогрузке по току; неполнофазном режиме работы; превышении допустимого дисбаланса токов. Уникальным свойством приборов является наличие функции мониторинга – непрерывного наблюдения за работой электродвигателей, регистрации режимов и событий, накопления статистических данных о работе электродвигателей и агрегатов на их основе, защиты электродвигателей.

Информация для энергетиков!
Особый интерес для горэлектросетей, ТЭЦ
Информация по запросу E-mail: mail@kip59.ru
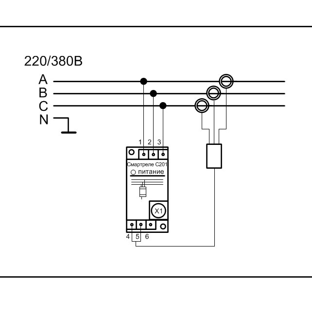
Устройство контроля и регистрации нагрузки Смартреле С-201
1. НАЗНАЧЕНИЕ
1 Устройство Смартреле С-201 предназначено для контроля и регистрации во времени нагрузки в трехфазных сетях переменного тока промышленной частоты (50 ± 0.4) Гц напряжением 220/380 В.
2 Устройство предназначено для стационарной установки на объектах электроэнергетики (трансформаторах, распределительных устройствах и т.п.) и рассчитано на круглосуточную непрерывную работу в течение всего срока эксплуатации объекта.
3 Устройство Смартреле С-201 контролирует действующие значения полного тока в трех фазах и нулевом проводе контролируемой сети, фазные напряжения в трех фазах сети, производит статистическую обработку и сохранение в собственной энергонезависимой памяти полученных данных в виде суточных графиков нагрузки.
4 Устройство обеспечивает передачу данных о текущей нагрузке в сети и накопленных статистических данных в виде суточных графиков нагрузки в персональный компьютер (ПК) для последующей обработки анализа и документирования Связь устройства с ПК реализуется посредством различных типов интерфейсов (USB, RS-485, Ethernet, беспроводной сети WL_NET).
Для реализации необходимого потребителю интерфейса устройство комплектуется соответствующими дополнительными модулями (изготавливается и поставляется отдельно по заявке потребителя).
5 Устройство Смартреле С-201 изготавливается девяти номиналов: С-201-2.5, С-201-5, С-201- 12.5, С-201-25, С-201-50, С-201-125, С-201-250, С-201-500, С-201-1250 в соответствии с номинальным током нагрузки (в амперах) в контролируемой сети. Модификации С-201-2.5, С-201-5 предназначены для установки во вторичных цепях внешних трансформаторов тока .
6 Устройство изготавливается в исполнении УХЛ категории 3 по ГОСТ 15150 и предназначено для работы при температуре окружающей среды от минус 40 до +40° С при относительной влажности до 98% при 25° С.
7 Степень защиты корпуса устройства - IP60.
8 Срок службы устройства — не менее 10 лет.
2.ТЕХНИЧЕСКИЕ ХАРАКТЕРИСТИКИ Устройства Смартреле С-201
2.1 Номинальный ток в контролируемой сети:
|
С-201 - 2.5 до 2.5 А |
С-201 - 125 до 125 А; |
|
С-201 - 5 до 5 А |
С-201 - 250 до 250 А; |
|
С-201 - 12.5 до 12. 5 А |
С-201 - 500 до 500 А; |
|
С-201 - 25 до 25 А; |
С-201 - 1250 до 1250 А; |
|
С-201 - 50 до 50 А; |
|
2.2 Пределы контролируемых токов в трех фазах сети и нулевом проводе:
|
С-201 - 2.5 от 0 до 5 А; |
С-201 - 125 от 0 до 250 А; |
|
С-201 - 5 от 0 до 10 А; |
С-201 - 250 от 0 до 500 А; |
|
С-201 - 12.5 от 0 до 25 А; |
С-201 - 500 от 0 до 1000 А; |
|
С-201 - 25 от 0 до 50 А; |
С-201 -1250 от 0 до 2500 А; |
|
С-201 - 50 от 0 до 100 А; |
|
2.3 Пределы измерения фазных напряжений в контролируемой сети - от 160 до 250 В.
2.4 Максимальная мощность, потребляемая устройством от сети, - не более 1 Вт.
2.5 Габаритные размеры Устройства Смартреле С-201 – не более 35 х 95 х 33 мм (без датчиков тока).
2.6 Длина кабеля от корпуса устройства до датчиков тока – 1100 ± 100 мм с
возможностью наращивания до 20 м.
2.7 Габаритные размеры датчиков тока устройства (внутренний x внешний диаметр x
высота, мм):
С - 201 - 2.5; С - 201 – 5; С - 201 - 12.5 - 10 x 40 x 15;
С - 201 – 25; С - 201 – 50; С - 201 – 125 - 24 x 54 x 18;
С - 201 – 250; С - 201 - 500 - 42 x 76 x 20;
С - 201 - 1250 - 65 x 112 x 22.
2.9 Масса Устройства Смартреле С-201:
С - 201 - 2.5, С - 201 - 5, С - 201 - 12.5 - не более 0.25 кг;
С - 201 - 25, С - 201 - 50, С - 201 - 125 - не более 0.35 кг;
С - 201 - 250, С - 201 - 500 - не более 0.55 кг;
С - 201 - 1250 - не более 0.95 кг.
3. КОМПЛЕКТНОСТЬ .
В комплект поставки входят:
Устройство Смартреле С-201 - 1 шт.
Паспорт на устройство - 1 шт.
Паспорт Смартреле С-201 (реле контроля и регистрации нагрузки)
![]() |
![]() |
![]() |
| Пульты управления | Системы и средства сбора информации | Модули и датчики |
Телефон в Перми +7 (342) 270-02-27.
Задайте ваш вопрос он-лайн,
чтобы получить развернутый ответ на e-mail
Обращаем Ваше внимание на то, что вся представленная на сайте информация, касающаяся комплектаций, технических характеристик, а также стоимости оборудования носит информационный характер и ни при каких условиях не является публичной офертой, определяемой положениями Статьи 437 (2) Гражданского кодекса Российской Федерации.


