| Руководство по эксплуатации ТРМ133М-02 | 2.58 MB | ||
| Руководство по эксплуатации ТРМ133М-04 | 2.36 MB | ||
| Руководство по эксплуатации ТРМ133М-02 (до 2010г.) | 1.94 MB | ||
| Руководство по эксплуатации ТРМ133М-04 (до 2010г.) | 1.75 MB |


Каталог продукции
Бесплатная консультация
Корзина пустаПриборы для измерения давления. Приборы для измерения температуры. Горелки газовые блочного типа. Форсунки. Пилотные горелки. Для безопасной работы установок работающих на сжигании газообразного, жидкого или твердого топлива основным параметром безопасности является контроль наличия и погасания пламени. Автоматика управления котлами, горелками, котлоагрегатами, теплогенераторами, печами. Устройства автоматизации. Котельное оборудование. Оборудование для узлов учета, датчики давления.
Компания ОВЕН предлагает самый широкий среди российских производителей ассортимент выпускаемой продукции. Он включает в себя более 80 наименований приборов, которые могут использоваться для построения систем автоматизации любого уровня: - Программируемые логические контроллеры (ПЛК); модули ввода/вывода; операторские панели; преобразователи интерфейса. - Общепромышленные регуляторы, регуляторы уровня, специализированные контроллеры, таймеры, счетчики, блоки питания. - Датчики: температуры, давления, уровня. Спектр отраслей промышленности, где работают приборы ОВЕН, очень широк и включает в себя химические и нефтехимические производства, металлургические и деревообрабатывающие предприятия, пищевую и упаковочную отрасли, энергетику, жилищно-коммунальное хозяйство и многие другие.
Приборы для измерения и регулирования температуры, влажности, вакуума под маркой ТЕРМОДАТ и МЕРАДАТ. Модельный ряд приборов охватывает как простейшие одноканальные измерители, так и сложные многоканальные регуляторы с большим графическим дисплеем.
Широкий спектр клапанов различной конфигурации и назначения.
Клапаны электромагнитные соленоидные
Катушки для клапанов
Реле времени для клапанов
Коннекторы
Подробная информация на нашем русскоязычном сайте - http://пкип.рф/catalog/
ЗАО «Росма» на сегодняшний день является одним из крупнейших отечественных производителей контрольно-измерительных приборов, прочно входя в пятерку лидеров рынка в данной области. Одни из самых популярных приборов это - Манометры, Термометры, Термоманометры, Разделители сред, Клапаны электромагнитные (соленоидные), Датчики и реле давления, Преобразователи давления, Датчики уровня.
Предназначены для предотвращения выхода из строя электродвигателей и агрегатов на их основе при возникновении недопустимых режимов работы, обусловленных различными эксплуатационными факторами: технологическими перегрузками; поломками и заклиниванием механизмов; холостом ходе; асимметрией питающей сети или неисправностью коммутационной аппаратуры. Обеспечивают защитное отключение электродвигателя при возникновении недопустимых (аварийных) режимов работы: перегрузке по току; недогрузке по току; неполнофазном режиме работы; превышении допустимого дисбаланса токов. Уникальным свойством приборов является наличие функции мониторинга – непрерывного наблюдения за работой электродвигателей, регистрации режимов и событий, накопления статистических данных о работе электродвигателей и агрегатов на их основе, защиты электродвигателей.
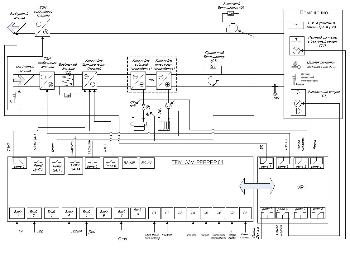
Контроллер систем приточной вентиляции ТРМ133М в комплексе с первичными преобразователями, модулем расширения МР1 и исполнительными механизмами предназначены для контроля и регулирования температуры воздуха в помещениях, оборудованных системой приточной/приточно-вытяжной вентиляции, отображения измеренной температуры и режимов работы на встроенном индикаторе и формирования сигналов управления встроенными выходными элементами и выходными элементами модуля МР1. Данный прибор поставляется в комплекте с модулем расширения ОВЕН МР1.
Модификации контроллера для систем вентиляции и кондиционирования ТРМ133М
ТРМ133М-02 – контроллер для систем приточной вентиляции с водяным калорифером и фреоновым либо водяным охладителем
ТРМ133М-04 – контроллер для систем приточной вентиляции с электрическим калорифером и фреоновым либо водяным охладителем
Возможности контроллера для систем вентиляции и кондиционирования ТРМ133М
Функциональные возможности ОВЕН ТРМ133М
Функциональная схема прибора ОВЕН ТРМ133М-02

Обозначения при заказе

Функциональная схема прибора ОВЕН ТРМ133М-04
Обозначения при заказе

Технические характеристики
|
Наименование |
Значение |
|
напряжение, В |
90...245 |
|
частота, Гц |
47…63 |
|
Потребляемая мощность, ВА, не более |
12 |
|
Аналоговые входы, количество |
8 |
|
Дискретные входы, количество |
8 |
|
Уровень сигнала, соответствующий логической единице на входе, В |
12…36 |
|
Уровень сигнала, соответствующий логическому нулю на входе, В |
0…4 |
|
Подключаемые входные устройства |
Датчики типа «сухой контакт», коммутационные устройства (контакты реле, кнопок и т.д.) |
|
Встроенный вторичный источник питания |
24 ±3 |
|
Напряжение, В, Максимально допустимый ток нагрузки, мА |
180 |
|
Интерфейс связи |
RS-485; RS-232 |
|
Режим работы |
Slave |
|
Протоколы передачи данных |
ОВЕН; Modbus ASCII; Modbus RTU |
|
Тип корпуса |
DIN12M |
|
Габаритные размеры прибора, мм |
(157x86x58)±1 |
|
Степень защиты корпуса (со стороны лицевой панели) |
IP20 |
|
Масса прибора, кг, не более |
0,5 |
|
Температура окружающего воздуха, °С |
-10…+55 |
Выходы (дискретные и аналоговые ВУ)
Количество ВУ внутри контроллера 6 (5 из них – с возможностью установки ЦАП)

Схема подключения датчиков

Подключение термометра сопротивления или резистивного датчика по трехпроводной схеме

Подключение активного датчика с выходом в виде напряжения 0….1В

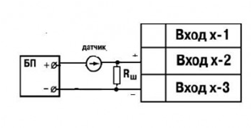
Подключение активного датчика с токовым выходом 0….5мА или 0(4)….20мА (Rш = 100Ом ±0,1%)
Схема подключения датчиков к дискретным входам

| Руководство по эксплуатации ТРМ133М-02 | 2.58 MB | ||
| Руководство по эксплуатации ТРМ133М-04 | 2.36 MB | ||
| Руководство по эксплуатации ТРМ133М-02 (до 2010г.) | 1.94 MB | ||
| Руководство по эксплуатации ТРМ133М-04 (до 2010г.) | 1.75 MB |
Телефон в Перми +7 (342) 270-02-27.
Задайте ваш вопрос он-лайн,
чтобы получить развернутый ответ на e-mail
Обращаем Ваше внимание на то, что вся представленная на сайте информация, касающаяся комплектаций, технических характеристик, а также стоимости оборудования носит информационный характер и ни при каких условиях не является публичной офертой, определяемой положениями Статьи 437 (2) Гражданского кодекса Российской Федерации.