

Каталог продукции
Бесплатная консультация
Корзина пустаПриборы для измерения давления. Приборы для измерения температуры. Горелки газовые блочного типа. Форсунки. Пилотные горелки. Для безопасной работы установок работающих на сжигании газообразного, жидкого или твердого топлива основным параметром безопасности является контроль наличия и погасания пламени. Автоматика управления котлами, горелками, котлоагрегатами, теплогенераторами, печами. Устройства автоматизации. Котельное оборудование. Оборудование для узлов учета, датчики давления.
Компания ОВЕН предлагает самый широкий среди российских производителей ассортимент выпускаемой продукции. Он включает в себя более 80 наименований приборов, которые могут использоваться для построения систем автоматизации любого уровня: - Программируемые логические контроллеры (ПЛК); модули ввода/вывода; операторские панели; преобразователи интерфейса. - Общепромышленные регуляторы, регуляторы уровня, специализированные контроллеры, таймеры, счетчики, блоки питания. - Датчики: температуры, давления, уровня. Спектр отраслей промышленности, где работают приборы ОВЕН, очень широк и включает в себя химические и нефтехимические производства, металлургические и деревообрабатывающие предприятия, пищевую и упаковочную отрасли, энергетику, жилищно-коммунальное хозяйство и многие другие.
Приборы для измерения и регулирования температуры, влажности, вакуума под маркой ТЕРМОДАТ и МЕРАДАТ. Модельный ряд приборов охватывает как простейшие одноканальные измерители, так и сложные многоканальные регуляторы с большим графическим дисплеем.
Широкий спектр клапанов различной конфигурации и назначения.
Клапаны электромагнитные соленоидные
Катушки для клапанов
Реле времени для клапанов
Коннекторы
Подробная информация на нашем русскоязычном сайте - http://пкип.рф/catalog/
ЗАО «Росма» на сегодняшний день является одним из крупнейших отечественных производителей контрольно-измерительных приборов, прочно входя в пятерку лидеров рынка в данной области. Одни из самых популярных приборов это - Манометры, Термометры, Термоманометры, Разделители сред, Клапаны электромагнитные (соленоидные), Датчики и реле давления, Преобразователи давления, Датчики уровня.
Предназначены для предотвращения выхода из строя электродвигателей и агрегатов на их основе при возникновении недопустимых режимов работы, обусловленных различными эксплуатационными факторами: технологическими перегрузками; поломками и заклиниванием механизмов; холостом ходе; асимметрией питающей сети или неисправностью коммутационной аппаратуры. Обеспечивают защитное отключение электродвигателя при возникновении недопустимых (аварийных) режимов работы: перегрузке по току; недогрузке по току; неполнофазном режиме работы; превышении допустимого дисбаланса токов. Уникальным свойством приборов является наличие функции мониторинга – непрерывного наблюдения за работой электродвигателей, регистрации режимов и событий, накопления статистических данных о работе электродвигателей и агрегатов на их основе, защиты электродвигателей.
В ПЧВ3 возможности взаимодействия преобразователя с другими устройствами системы частотного управления приводом значительно расширены за счет увеличения количества дискретных и аналоговых выходов. ПЧВ3 имеют два релейных и два аналоговых токовых выхода, которые при необходимости могут использоваться как цифровые. Это расширяет возможности использования ПЧВ в системах каскадного управления насосами, а также улучшает организацию работы дополнительных систем автоматики.В ПЧВ3 значительно расширены функциональные возможности относительно ПЧВ1 и ПЧВ2 и введены новые специализированные НVAC-функции, а именно режимы: «пожарный», «спящий» и контроль «обрыва ремня» с выполнением специальных алгоритмов работы приводов.
«Пожарный» режим предназначен для использования в критических ситуациях пожара, когда требуется, чтобы двигатель выполнял строго определенный алгоритм, например, вентиляция или подача воды с максимальной частотой вращения АД с блокировкой отключения.
«Спящий» режим позволяет исключить холостой ход привода и получить дополнительную экономию электроэнергии.
Контроль «обрыва ремня» позволяет автоматически перевести работу привода в безаварийный режим работы.
Помимо интерфейса Modbus ПЧВ3 поддерживает несколько дополнительных интерфейсов для более удобной интеграции в системы интеллектуального здания, а именно: BACNet, Metasys N, FLN Apogee.
Для программирования и оперативного управления ПЧВ3 служит панель оператора ЛПО3 (поставляется по отдельному заказу).
Заводские настройки «по умолчанию» позволяют пользователю с минимальными затратами опробовать работу привода в ручном и автоматическом режимах после ввода в ЛПО3 основных параметров АД.
Технические характеристики:
|
№ |
Наименование |
Значение |
|
1 |
Питающая сеть |
3 фазы, 200…240 В (0,25…11 кВт) 3 фазы, 380…480 В (0,37…90 кВт) |
|
2 |
Выходное напряжение (U,V,W), % |
0…100 |
|
3 |
Выходная частота, Гц |
0…200 Гц(VC), 0…400 (U/F) |
|
4 |
Цифровые входы, в том числе импульсные |
4 |
|
- |
||
|
5 |
Аналоговые входы |
2 U/I |
|
Аналоговые выходы |
2 I |
|
|
6 |
Релейные выходы |
2 (240 В, 2 А) |
|
7 |
Протокол RS-485 |
Modbus RTU, FLN, Metasys; BACnet MSTP |
|
8 |
Встроенные источники питания |
10 В/25 мА 24 В/80 мА |
|
9 |
Класс защиты корпуса |
IP20 |
|
10 |
Вибропрочность |
1,0g |
|
11 |
Максимальная относительная влажность |
95 % без конденсации влаги |
|
12 |
Диапазон рабочих температур |
0…40 ºС при номинальном выходном токе -20…+50 ºС со снижением выходного тока |
|
13 |
Температура при хранении и транспортировке |
-30… +70 ºС |
|
14 |
Максимальная длина экранированного кабеля двигателя |
25 м |
|
15 |
Максимальная длина неэкранированного кабеля двигателя |
50 м |
|
16 |
Перегрузочная способность |
150 % (60 с), |
|
17 |
Тормозной ключ |
нет |
Модификации:

|
Обозначение для заказа |
Выходная мощность, кВт |
Номинальный выходной ток, А |
Питающая сеть, В |
|
ПЧВ3-К25-Б |
0,25 |
1,5 |
3×200…240 |
|
ПЧВ3-К37-Б |
0,37 |
2,2 |
3×200…240 |
|
ПЧВ3-К75-Б |
0,75 |
4,2 |
3×200…240 |
|
ПЧВ3-1К5-Б |
1,5 |
6,8 |
3×200…240 |
|
ПЧВ3-2К2-Б |
2,2 |
9,6 |
3×200…240 |
|
ПЧВ3-3К7-Б |
3,7 |
15,2 |
3×200…240 |
|
ПЧВ3-5К5-Б |
5,5 |
22 |
3×200…240 |
|
ПЧВ3-7К5-Б |
7,5 |
28 |
3×200…240 |
|
ПЧВ3-11К-Б |
11 |
42 |
3×200…240 |
|
ПЧВ3-К37-В |
0,37 |
1,2 |
3×380…480 |
|
ПЧВ3-К75-В |
0,75 |
2,2 |
3×380…480 |
|
ПЧВ3-1К5-В |
1,5 |
3,7 |
3×380…480 |
|
ПЧВ3-2К2-В |
2,2 |
5,3 |
3×380…480 |
|
ПЧВ3-3К0-В |
3 |
7,2 |
3×380…480 |
|
ПЧВ3-4К0-В |
4 |
9,1 |
3×380…480 |
|
ПЧВ3-5К5-В |
5,5 |
12 |
3×380…480 |
|
ПЧВ3-7К5-В |
7,5 |
15,5 |
3×380…480 |
|
ПЧВ3-11К-В |
11 |
23 |
3×380…480 |
|
ПЧВ3-15К-В |
15 |
31 |
3×380…480 |
|
ПЧВ3-18К-В |
18,5 |
37 |
3×380…480 |
|
ПЧВ3-22К-В |
22 |
42,5 |
3×380…480 |
|
ПЧВ3-30К-В |
30 |
61 |
3×380…480 |
|
ПЧВ3-37К-В |
37 |
73 |
3×380…480 |
|
ПЧВ3-45К-В |
45 |
90 |
3×380…480 |
|
ПЧВ3-55К-В |
55 |
106 |
3×380…480 |
|
ПЧВ3-75К-В |
75 |
147 |
3×380…480 |
|
ПЧВ3-90К-В |
90 |
177 |
3×380…480 |
Массогабаритные показатели:
|
Обозначение для заказа |
Габаритные размеры, В×Ш×Г, мм |
Масса, кг |
Тип корпуса |
|
ПЧВ3-К25-Б |
195×75×168 |
2,0 |
1 |
|
ПЧВ3-К37-Б |
195×75×168 |
2,0 |
1 |
|
ПЧВ3-К75-Б |
195×75×168 |
2,0 |
1 |
|
ПЧВ3-1К5-Б |
195×75×168 |
2,1 |
1 |
|
ПЧВ3-2К2-Б |
227×90×190 |
3,4 |
2 |
|
ПЧВ3-3К7-Б |
255×100×206 |
4,5 |
3 |
|
ПЧВ3-5К5-Б |
296×105×241 |
7,9 |
4 |
|
ПЧВ3-7К5-Б |
296×105×241 |
7,9 |
4 |
|
ПЧВ3-11К-Б |
334×150×255 |
9,5 |
5 |
|
ПЧВ3-К37-В |
195×75×168 |
2,0 |
1 |
|
ПЧВ3-К75-В |
195×75×168 |
2,0 |
1 |
|
ПЧВ3-1К5-В |
195×75×168 |
2,1 |
1 |
|
ПЧВ3-2К2-В |
227×90×190 |
3,3 |
2 |
|
ПЧВ3-3К0-В |
227×90×190 |
3,3 |
2 |
|
ПЧВ3-4К0-В |
227×90×190 |
3,4 |
2 |
|
ПЧВ3-5К5-В |
255×100×206 |
4,3 |
3 |
|
ПЧВ3-7К5-В |
255×100×206 |
4,5 |
3 |
|
ПЧВ3-11К-В |
296×105×241 |
7,9 |
4 |
|
ПЧВ3-15К-В |
296×105×241 |
7,9 |
4 |
|
ПЧВ3-18К-В |
334×150×255 |
9,5 |
5 |
|
ПЧВ3-22К-В |
334×150×255 |
9,5 |
5 |
|
ПЧВ3-30К-В |
518×239×242 |
24,5 |
6 |
|
ПЧВ3-37К-В |
518×239×242 |
24,5 |
6 |
|
ПЧВ3-45К-В |
518×239×242 |
24,5 |
6 |
|
ПЧВ3-55К-В |
550×313×335 |
36,0 |
7 |
|
ПЧВ3-75К-В |
550×313×335 |
36,0 |
7 |
|
ПЧВ3-90К-В |
660×375×335 |
51,0 |
8 |
Аксессуары:
|
Обозначение для заказа |
Наименование |
|
ЛПО3 |
Локальная панель оператора для ПЧВ3 |
|
Комплект KM3-1 |
Комплект монтажный (кабель 3м.) для ПЧВ3 |
|
Крышка КО3-1 |
Крышка опции IP21 для ПЧВ3, корпус 01 |
|
Крышка КО3-2 |
Крышка опции IP21 для ПЧВ3, корпус 02 |
|
Крышка КО3-3 |
Крышка опции IP21 для ПЧВ3, корпус 03 |
|
Крышка КО3-4 |
Крышка опции IP21 для ПЧВ3, корпус 04 |
|
Крышка КО3-5 |
Крышка опции IP21 для ПЧВ3, корпус 05 |
|
Панель ПК3-1/2 |
Панель кабельная для ПЧВ3, корпус 01 и 02 |
|
Панель ПК3-3 |
Панель кабельная для ПЧВ3, корпус 03 |
|
Панель ПК3-4/5 |
Панель кабельная для ПЧВ3, корпус 04 и 05 |
|
Отсек ОК3-1 |
Отсек кабельный для ПЧВ3, корпус 01 |
|
Отсек ОК3-2 |
Отсек кабельный для ПЧВ3, корпус 02 |
|
Отсек ОК3-3 |
Отсек кабельный для ПЧВ3, корпус 03 |
|
Отсек ОК3-4 |
Отсек кабельный для ПЧВ3, корпус 04 |
|
Отсек ОК3-5 |
Отсек кабельный для ПЧВ3, корпус 05 |
Съемная локальная панель оператора ЛПО3
Съёмная локальная панель оператора ЛПО3 прибора предназначена для программирования и индикации значений параметров работы прибора. Запрограммированный прибор может функционировать без ЛПО3, поэтому партия из нескольких приборов может комплектоваться одной ЛПО3.

ЛПО3 поставляется по отдельному заказу.
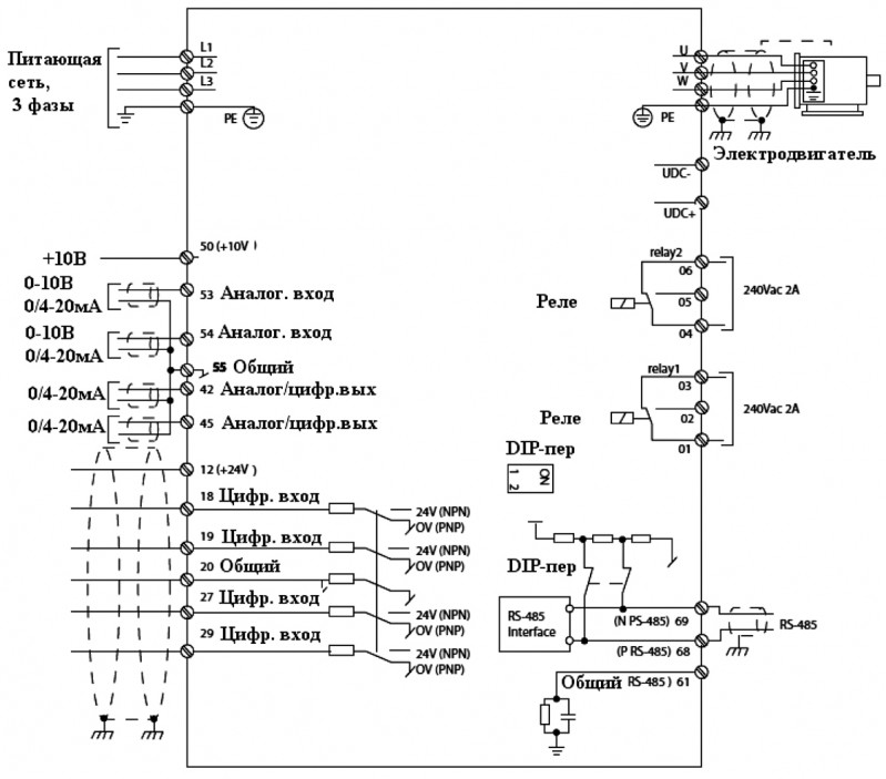
Схема подключения:

Купить преобразователь частоты Овен ПЧВ3 Вы можете в ООО "Приборы контроля и Привод" (ООО "ОВЕН-ПЕРМЬ") г. Пермь
Телефон в Перми +7 (342) 270-02-27.
Задайте ваш вопрос он-лайн,
чтобы получить развернутый ответ на e-mail
Обращаем Ваше внимание на то, что вся представленная на сайте информация, касающаяся комплектаций, технических характеристик, а также стоимости оборудования носит информационный характер и ни при каких условиях не является публичной офертой, определяемой положениями Статьи 437 (2) Гражданского кодекса Российской Федерации.