Каталог продукции
Бесплатная консультация
Корзина пуста


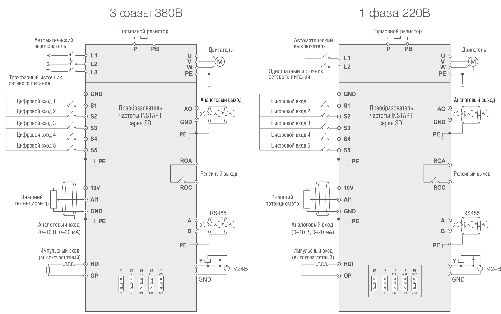
Напряжение: 1 ~ 220В ± 15% 50/60Гц Мощность: 0.4 кВт, 0.75 кВт, 1.5 кВт, 2.2 кВт
Напряжение: 3 ~ 380В ± 15% 50/60Гц Мощность: 0.75 кВт, 1.5 кВт, 2.2 кВт, 4 кВт
Компактный векторный преобразователь частоты по цене скалярного
| Модель преобразователя частоты | Номинальный ток на входе (А) | Номинальный ток на выходе (А) | Мощность двигателя (кВт)* | Тормозной модуль |
|---|---|---|---|---|
| 1 ~ 220В ± 15% 50/60Гц | ||||
| SDI-G0.4-2B | 3,2 | 1,8 | 0,4 | Встроен в стандартной конфигурации |
| SDI-G0.75-2B | 8,2 | 4,7 | 0,75 | |
| SDI-G1.5-2B | 14,0 | 7,5 | 1,5 | |
| SDI-G2.2-2B | 23,0 | 10,0 | 2,2 | |
| 3 ~ 380В ± 15% 50/60Гц | ||||
| SDI-G0.75-4B | 3,4 | 2,3 | 0,75 | Встроен в стандартной конфигурации |
| SDI-G1.5-4B | 5,0 | 3,7 | 1.5 | |
| SDI-G2.2-4B | 5,8 | 5,1 | 2,2 | |
| SDI-G4.0-4B | 10,5 | 8,5 | 4,0 | |
| Компонент | Характеристика | |
|---|---|---|
| Управление | Диапазон напряжения и частоты на входе | 1 ~ 220В +/-15% 50/60 Гц 3 ~ 380В +/-15% 50/60 Гц |
| Диапазон напряжения и частоты на выходе | 3 ~ 0-220В, 0-600 Гц 3 ~ 0-380В, 0-600 Гц |
|
| Диапазон мощностей | 0.4 ~ 4.0 кВт | |
| Режим управления | Векторное управление без обратной связи Управление напряжением / частотой (V/F) | |
| Тип двигателя | Асинхронный двигатель с короткозамкнутым ротором | |
| Панель управления | Съемная | |
| Тормозной модуль | Встроенный | |
| Разрешение по частоте | Цифровое значение 0.01% Аналоговое значение 0.025% |
|
| Кривая напряжения/частоты | Линейная, квадратичная, многоточечная, по выборочным значениям: напряжение/частота (V/F) | |
| Перегрузочная способность | 4 с при 180% от номинального тока 60 с при 150% от номинального тока 60 мин при 120% от номинального тока |
|
| Пусковой момент | 1.0 Гц / 150% (SVC) | |
| Диапазон регулировки скорости | 1:50 (SVC) | |
| Форсирование крутящего момента | Ручное форсирование крутящего момента (0.1%~10.0%), автоматическое форсирование крутящего момента | |
| Режим управления | Клеммы управления, MODBUS RTU (RS 485), панель управления | |
| Входы управления | 5 цифровых входов 5-канальный разъем цифрового входного сигнала (S1–S5) 1 импульсный вход 1-канальный разъем аналогового входного сигнала (Ai1), который можно использовать как вход напряжения (0-10 В), или тока (0/4-20 мА) 1 аналоговый вход 1-канальный разъем импульсного входного сигнала (HDI), рассчитанный на максимальную частоту 50 кГц |
|
| Выходы управления | 1 релейный выход 1-канальный разъем с открытым коллектором (Y), не более 24 В 50 мА 1 аналоговый выход 1-канальный релейный выход (ROA, ROC), не более 30 В пост.тока/3А и не более 250 В перем.тока/3А 1 выход с открытым коллектором 1-канальный разъем аналогового выходного сигнала (AO), который можно использовать как выход напряжения (0-10 В), или тока (0/4-20 мА) |
|
| Индикация | Информация о работе | Заданная частота, выходной ток, выходное напряжение, напряжение шины постоянного тока, входной сигнал, значение сигнала обратной связи, температура модуля, выходная частота, скорость двигателя и пр. Отображение до 32 параметров кнопкой >> |
| Информация об ошибках | Сохранение информации о 3 последних неполадках, возникших в время работы. В каждой записи о неполадке указывается частота, ток напряжение на шине постоянного тока и состояние входного/выходног сигнала клеммы во время возникновения неполадки | |
| Функции | Источник задания частоты | 9 типов основных источников частоты. Применяются различные режимы переключения. Используются разнообразные источники входного сигнала: потенциометр панели управления, внешний аналоговый сигнал, цифровой опорный сигнал, импульсный опорный сигнал, команды дискретных входов, ПЛК, сигнал шины управления, внешний потенциометр, сигнал ПИД-регулирования |
| Алгоритм разгона и торможения | 4 линейных режима, диапазон времени 0-3600 с | |
| Многоступенчатая скорость | Выбор 16 скоростей с использованием различных комбинаций на многоканальном разъеме входного цифрового сигнала | |
| Функция встроенного ПЛК | Непрерывное функционирование 16 ступенчатой скорости, на каждой ступени время увеличения и снижения скорости и время работы могут задаваться отдельно | |
| Управление толчковым режимом (JOG) | Толчковую частоту и длительность толчкового увеличения и уменьшения скорости можно задавать отдельно, кроме этого можно настроить преимущественный или непреимущественный толчковый режим в рабочем состоянии. Диапазон 0-50 Гц | |
| Контроль фиксированной длины и фиксированного расстояния | Функция контроля заданной длины и заданного расстояния реализована при помощи импульсного входного сигнала | |
| Контроль расчетов | Функция счетчика реализована при помощи импульсного входного сигнала | |
| Функция управления частотой колебаний | Применяется в оборудовании намотки текстильной нити | |
| Встроенное ПИД-регулирование |
Используется в процессе управления системой c замкнутым контуром | |
| Функция автоматического регулятора напряжения (АVR) | Обеспечивается стабильность выходного напряжения при колебаниях напряжения сети | |
| Торможение постоянным током | Быстрое и равномерное торможение | |
| Компенсация проскальзывания | Компенсация отклонения скорости, вызванного изменением нагрузки | |
| Встроенные таймеры | Встроенный таймер задержки включения преобразователя частоты | |
| Защита | Защита преобразователя частоты | Повышенный ток, повышенное напряжение, защита от неполадки модулей, пониженное напряжение, перегрев, перегрузка, защита от внешних неполадок, защита от короткого замыкания на землю (для защиты преобразователя частоты от тока короткого замыкания необходимо установить входной и выходной дроссель) |
| Аварийная сигнализация преобразователя частоты | Защита блокировкой, аварийный сигнал перегрузки | |
| Пропадание питания | Допускается автоматический перезапуск | |
| Охлаждение | Воздушное охлаждение | |
| Обмен данными | Поддержка стандартного протокола MODBUS RTU | |
| Условия окружающей среды |
Температура окружающего воздуха при работе | -10°C ~ +40°C (в диапазоне от +40 до +50 — понижение эксплуатационных характеристик 1,5% на каждый градус) |
| Температура хранения | -20°C ~ +60°C | |
| Влажность воздуха | не более 95% отн.вл. (без конденсата) | |
| Высота | Ниже 1000 м (1000-3000 м с использованием с пониженными характеристиками) | |
| Место установки | Без агрессивных и горючих газов, пыли и прочих загрязнений | |
| Вибрация | Менее 5,9 м/с2 (=0.6g) | |
Система обозначения


