Каталог продукции
Бесплатная консультация
Корзина пуста
1. Преимущества преобразователей частоты серии VCI
Серия VCI – это одни из самых компактных и простых устройств в управлении электродвигателями в линейке преобразователей частоты INSTART. Надежные преобразователи частоты мощностью от 0,4 до 4,0 кВт представляют собой простое и экономически эффективное решение для управления электродвигателем.
ПРОСТОТА В ИСПОЛЬЗОВАНИИ Необходимый минимум настроек и функциональных возможностей для решения простых задач
КОМПАКТНОСТЬ Оптимальные габаритные размеры
ВСТРОЕННЫЙ СЕТЕВОЙ ПРОТОКОЛ В базовой комплектации встроенный ModBUS RTU
ОПЦИЯ – ВЫНОСНАЯ ПАНЕЛЬ УПРАВЛЕНИЯ Дополнительная выносная панель имеет возможность выноса удлинительным кабелем длиной до 10 м
ОПТИМАЛЬНАЯ СОВОКУПНОСТЬ ЗАЩИТНЫХ ФУНКЦИЙ:
- токовая защита от перегрузки двигателя;
- токовая защита мгновенного действия;
- защита двигателя от перегрева;
- защита от замыкания выходных фаз на землю;
- защита от перегрева выходных каскадов;
- защита от повышенного или пониженного напряжения;
- защита от пропадания фазы на входе;
- защита от ошибок передачи данных;
- защита от пропадания фаз на выходе.
ОБЛАСТЬ ПРИМЕНЕНИЯ Основное применение серии VCI – системы вентиляции и насосные агрегаты. Также преобразователи частоты серии VCI используются для общепромышленного применения.
2. Функциональные возможности
Расширенный ПИД-регулятор - обеспечивает управление скоростью электродвигателя для поддержания постоянного значения заданного параметра (например, давления, температуры или расхода воды).
Встроенный таймер - управляется входными цифровыми сигналами.
Ограничитель момента - поддержание установленного момента путем ограничения напряжения и тока.
Резервное копирование параметров - пользователь может использовать резервное копирование параметров с помощью модуля копирования, чтобы восстановить настройки преобразователя частоты в случае ошибки, вызванной сбоем или неправильной работой.
Автоматический регулятор напряжения - предназначен для стабилизации выходного напряжения путём регулирования тока в обмотке возбуждения, а также обеспечивает электронную защиту от перегрузки и падения частоты вращения.
3. Технические характеристики
|
Модель |
Полная мощность, |
Входной ток, |
Выходной ток, |
Соответствующий электродвигатель, кВт |
|
Однофазная сеть: 220 В, 50/60 Гц |
||||
|
VCI-G0.4-2B |
0,75 |
3,2 |
1,8 |
0,4 |
|
VCI-G0.75-2B |
1,5 |
8,2 |
1,0 |
0,75 |
|
VCI-G1.5-2B |
3,0 |
14,0 |
7,0 |
1,5 |
|
VCI-G2.2-2B |
4,0 |
23,0 |
9,6 |
2,2 |
|
Трехфазная сеть: 380 В, 50/60 Гц |
||||
|
VCI-G0.75-4B |
1,5 |
3,4 |
2,1 |
0,75 |
|
VCI-G1.5-4B |
3,0 |
5,0 |
3,8 |
1,5 |
|
VCI-G2.2-4B |
4,0 |
5,8 |
5,1 |
2,2 |
|
VCI-G4.0-4B |
5,9 |
10,5 |
9,0 |
4,0 |
СИСТЕМА ОБОЗНАЧЕНИЯ

Серия
Режим G – общепромышленный*
Мощность электродвигателя (кВт) для общепромышленного режима (G)
Режим P – насосный**
Мощность электродвигателя (кВт) для насосного режима (P)
Номинальное напряжение:
2: 1 ~ 220 В ± 15%, 50/60 Гц
4: 3 ~ 380 В ± 15%, 50/60 Гц
Встроенный тормозной модуль
Встроенный дроссель постоянного тока
Дополнительное защитное покрытие плат лаком
Защитное покрытие плат компаундом
*Общепромышленный режим (G) Используется с нагрузкой с постоянным вращающим моментом. В этом случае величина вращающего момента, необходимого для приведения в действие какого-либо механизма, постоянна независимо от скорости вращения. Примером такого режима работы могут служить конвейеры, экструдеры, компрессоры, скважинные насосы.
**Насосный режим (P) Используется с нагрузкой с переменным вращающим моментом. Этот момент имеет отношение к нагрузкам, для которых требуется низкий вращающий момент при низкой частоте вращения, а при увеличении скорости вращения требуется более высокий вращающий момент. Типичным примером такого режима являются насосы (насосы с высоким пусковым моментом необходимо подбирать по общепромышленному режиму (G); к таким насосам можно отнести скважинные насосы, насосы для перекачки вязких жидкостей, вакуумные насосы)
4. Техническая спецификация
|
Основные функции |
Показатель |
Значение |
||
|
Максимальная выходная частота |
0 ~ 320 Гц |
|||
|
Несущая частота |
0,5 кГц ~ 16 кГц |
|||
|
Точность выходной частоты |
Цифровая настройка: 0,01 Гц Аналоговая настройка: максимальная частота x 0,2% |
|||
|
Способ управления |
Скалярный |
Векторный с разомкнутым контуром (бездатчиковый) (SVC) |
||
|
Пусковой момент |
1.0 Гц/150% (SVC) |
|||
|
Диапазон скоростей |
1:50 (SVC) |
|||
|
Точность постоянной скорости |
±0,5% (SVC) |
|||
|
Перегрузочная способность |
150% номинального тока в течение 60 с; 180% номинального тока в течение 3 с |
|||
|
Увеличение момента |
Автоматическое увеличение момента |
Увеличение момента вручную: 0,1% ~ 20,0% |
||
|
Характеристика U/f |
Прямая |
Квадратичная (4 вида) |
Ломанная (по нескольким точкам) |
|
|
Характеристика разгона/замедления |
Линейный или S-образный режим разгона/замедления, четыре значения времени разгона/замедления (0,0 ~ 6500,0 с) |
|||
|
Торможение постоянным током |
Частота торможения постоянным током: от 0,00 Гц до 10 Гц Время торможения: от 0,0 до 100,0 с Ток торможения: от 0,0 до 100% |
|||
|
Толчковый режим |
Диапазон частот толчкового режима: 0,00 Гц ~ максимальная частота |
|||
|
ПЛК и многоступенчатый режим работы |
16-скоростная работа через встроенный ПЛК или цифровые входы |
|||
|
Встроенный ПИД |
Надёжная реализация системы управления с датчиком обратной связи |
|||
|
Автоматическая стабилизация напряжения (AVR) |
При изменении напряжения сети выходное напряжение поддерживается постоянным |
|||
|
Защита от перенапряжения/перегрузки по току |
Для предотвращения выхода устройства из строя |
|||
|
Быстрое ограничение тока |
Позволяет избежать аварийных ситуаций при эксплуатации путем ограничения тока |
|||
|
Функциональные возможности |
Безостановочная работа |
Пропадание питания: менее 10 мс: непрерывная работа более 10 мс: допускается автоматический перезапуск |
||
|
Поддержка сетевых протоколов |
ModBUS RTU |
|||
|
Защита электродвигателя от перегрева |
Реализуется с помощью цифровых входов |
|||
|
Управление |
Каналы управления |
Панель управления, клеммы управления, сетевые протоколы |
||
|
Задание частоты |
Цифровое задание, аналоговое задание напряжения/тока и задание с сетевых протоколов |
|||
|
Входы управления |
4 цифровых входных клемм (DI) 1 аналоговый вход (AI1) с диапазоном 0 ~ 10 В |
|||
|
Выходы управления |
1 многофункциональный цифровой выход (DO1) 1 импульсный выход (FM) до 100 кГц 1 релейный выход (до 3 А) 1 аналоговый выход (AO1) с диапазоном 0 ~ 10 В |
|||
|
Защиты |
Парольная защита |
Защита от несанкционированного входа |
||
|
Функции защиты |
Защита от обрыва фазы на входе/выходе; защита от сверхтоков; защита от перенапряжения; защита от пониженного напряжения; защита от перегрева; защита от перегрузки; защита от неисправности тормозного резистора |
|||
|
Условия окружающей среды |
Место установки |
В помещении, вне зоны действия прямых солнечных лучей, пыли, агрессивных газов, горючего газа, масляной взвеси, пара, без выпадения конденсата |
||
|
Высота над уровнем моря |
Ниже 1000 м над уровнем моря (от 1000 до 3000 м при сниженных номинальных характеристиках) |
|||
|
Температура окружающей среды |
От -10 до +40 °С (эксплуатация со сниженными номинальными характеристиками при температурах от +40 до +50 °С) |
|||
|
Относительная влажность |
Относительная влажность ниже 90%, без конденсации |
|||
|
Вибрация |
Менее 5,9 м/с (0,6 g) |
|||
|
Температура хранения |
От -20 до +55 °С |
|||
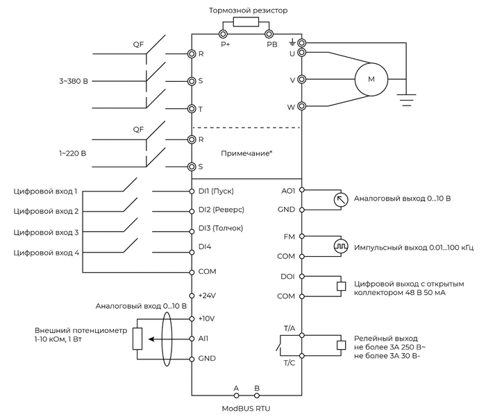
5. Схема подключения

6. Габаритные размеры
|
Модель |
Вес, кг |
Ш |
Ш1 |
В |
В1 |
В2 |
Г |
Г1 |
d |
|
VCI-G0.4-2B |
0.8 |
85 |
73 |
142 |
130 |
80 |
110 |
81 |
4 |
|
VCI-G0.75-2B |
0.8 |
85 |
73 |
142 |
130 |
80 |
110 |
81 |
4 |
|
VCI-G1.5-2B |
0.8 |
85 |
73 |
142 |
130 |
80 |
110 |
81 |
4 |
|
VCI-G2.2-2B |
0.8 |
85 |
73 |
142 |
130 |
80 |
110 |
81 |
4 |
|
VCI-G0.75-4B |
0.8 |
85 |
73 |
142 |
130 |
80 |
110 |
81 |
4 |
|
VCI-G1.5-4B |
0.8 |
85 |
73 |
142 |
130 |
80 |
110 |
81 |
4 |
|
VCI-G2.2-4B |
0.8 |
85 |
73 |
142 |
130 |
80 |
110 |
81 |
4 |
|
VCI-G4.0-4B |
1.2 |
96 |
84 |
180 |
168 |
120 |
115 |
81 |
4.5 |