

Каталог продукции
Бесплатная консультация
Корзина пуста
Приборы для измерения давления. Приборы для измерения температуры. Горелки газовые блочного типа. Форсунки. Пилотные горелки. Для безопасной работы установок работающих на сжигании газообразного, жидкого или твердого топлива основным параметром безопасности является контроль наличия и погасания пламени. Автоматика управления котлами, горелками, котлоагрегатами, теплогенераторами, печами. Устройства автоматизации. Котельное оборудование. Оборудование для узлов учета, датчики давления.
Компания ОВЕН предлагает самый широкий среди российских производителей ассортимент выпускаемой продукции. Он включает в себя более 80 наименований приборов, которые могут использоваться для построения систем автоматизации любого уровня: - Программируемые логические контроллеры (ПЛК); модули ввода/вывода; операторские панели; преобразователи интерфейса. - Общепромышленные регуляторы, регуляторы уровня, специализированные контроллеры, таймеры, счетчики, блоки питания. - Датчики: температуры, давления, уровня. Спектр отраслей промышленности, где работают приборы ОВЕН, очень широк и включает в себя химические и нефтехимические производства, металлургические и деревообрабатывающие предприятия, пищевую и упаковочную отрасли, энергетику, жилищно-коммунальное хозяйство и многие другие.
Приборы для измерения и регулирования температуры, влажности, вакуума под маркой ТЕРМОДАТ и МЕРАДАТ. Модельный ряд приборов охватывает как простейшие одноканальные измерители, так и сложные многоканальные регуляторы с большим графическим дисплеем.
Широкий спектр клапанов различной конфигурации и назначения.
Клапаны электромагнитные соленоидные
Катушки для клапанов
Реле времени для клапанов
Коннекторы
Подробная информация на нашем русскоязычном сайте - http://пкип.рф/catalog/
ЗАО «Росма» на сегодняшний день является одним из крупнейших отечественных производителей контрольно-измерительных приборов, прочно входя в пятерку лидеров рынка в данной области. Одни из самых популярных приборов это - Манометры, Термометры, Термоманометры, Разделители сред, Клапаны электромагнитные (соленоидные), Датчики и реле давления, Преобразователи давления, Датчики уровня.
Предназначены для предотвращения выхода из строя электродвигателей и агрегатов на их основе при возникновении недопустимых режимов работы, обусловленных различными эксплуатационными факторами: технологическими перегрузками; поломками и заклиниванием механизмов; холостом ходе; асимметрией питающей сети или неисправностью коммутационной аппаратуры. Обеспечивают защитное отключение электродвигателя при возникновении недопустимых (аварийных) режимов работы: перегрузке по току; недогрузке по току; неполнофазном режиме работы; превышении допустимого дисбаланса токов. Уникальным свойством приборов является наличие функции мониторинга – непрерывного наблюдения за работой электродвигателей, регистрации режимов и событий, накопления статистических данных о работе электродвигателей и агрегатов на их основе, защиты электродвигателей.
Адаптер предназначен для подключения приборов мониторинга и защиты серий РКЗ (РКЗМ), РТЗЭ, МД, КСКН, УМЗ, ЭКТМ, ЭКРМ всех модификаций к беспроводной сети Wireless Net(WL_NET) для организации беспроводных систем удаленного сбора данных и управления объектами * (рис.1).
Рисунок 1 – схема организации связи в сети беспроводного доступа.
Локальная система беспроводного доступа WL_NET малого радиуса действия (0.05-2 КМ) предназначена как для использования внутри закрытых производственных помещений (обслуживание производственных технологических установок), так и вне закрытых помещений для обслуживания объектов в полевых условиях.
Система предназначена для сбора телеметрической информации и телеуправления объектами, оборудованными приборами защиты/мониторинга разработки ООО « СибСпецПроект».
* Примечание: в беспроводной сети WL_NET могут работать только приборы серий РКЗ (РКЗМ), РТЗЭ, МД, КСКН, УМЗ, ЭКТМ, ЭКР (ЭКРМ), маркированные товарным знаком SMARTRELE ®, выпуска с января 2014 года.
Учитывайте это при приобретении перечисленных приборов или их аналогов от других производителей.
Адаптер изготавливается в исполнении УХЛ категории 3 по ГОСТ 15150 и предназначен для работы при температуре окружающей среды от -40° до +40° С и относительной влажности до 98 % при 25° С.
ТЕХНИЧЕСКИЕ ХАРАКТЕРИСТИКИ
** Примечание: для применения адаптера не требуется получения разрешительных документов РосСвязьНадзора.
ПОРЯДОК ПОДКЛЮЧЕНИЯ
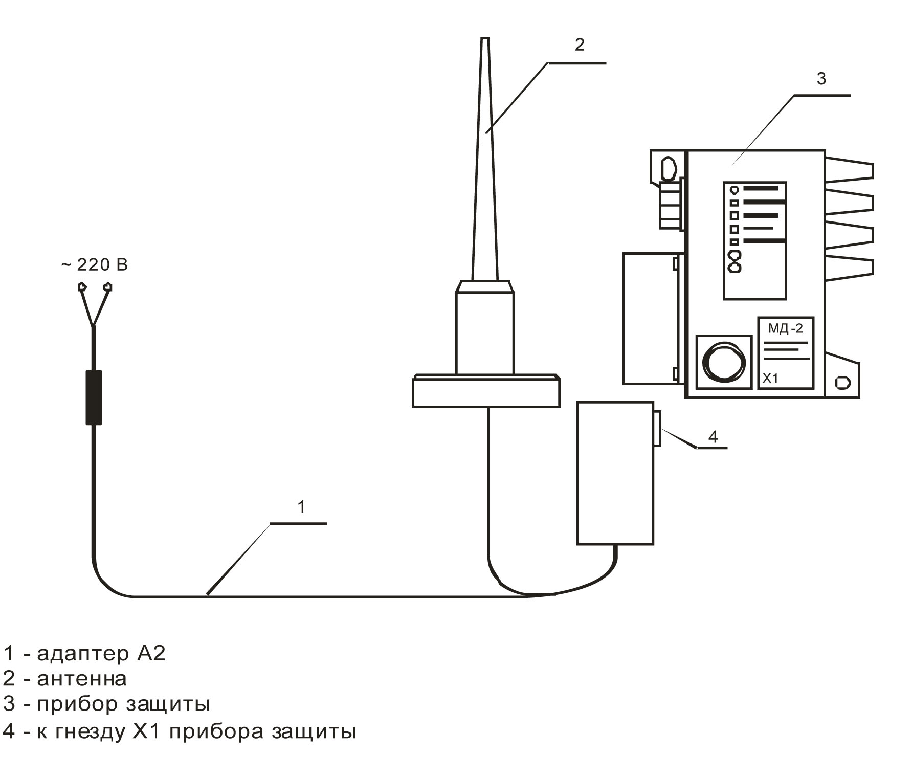
Внешний вид адаптера и схема его подключения к приборам защиты серий РКЗ(М), РТЗЭ, МД, КСКН, УМЗ, ЭКТМ, ЭКРМ изображены на рис.2,3.
Приемопередающую антенну адаптера следует размещать за пределами металлических электрических шкафов во избежание экранирования.
При подаче напряжения сетевого питания адаптер готов к работе.
Для дальнейшей эксплуатации адаптера следует руководствоваться документом «Контроллер беспроводной сети КС-2 ЮИПН 203127.007 ПС»
Рисунок 2 – внешний вид адаптера А2
Рисунок 3 – схема подключения адаптера А2
Паспорт Система беспроводного доступа WL_NET АДАПТЕР БЕСПРОВОДНОЙ СЕТИ А2
Телефон в Перми +7 (342) 270-02-27.
Задайте ваш вопрос он-лайн,
чтобы получить развернутый ответ на e-mail
Обращаем Ваше внимание на то, что вся представленная на сайте информация, касающаяся комплектаций, технических характеристик, а также стоимости оборудования носит информационный характер и ни при каких условиях не является публичной офертой, определяемой положениями Статьи 437 (2) Гражданского кодекса Российской Федерации.


